- Podnośniki koszowe np. PMT20, PMT16U, PMT16.
- Zgarniacze radialne,
- Mieszadła,
- Obrotnice.
- Rysunek techniczny – prześlij zapytanie
- Charakterystyka – prześlij zapytanie
- Model 3D – prześlij zapytanie
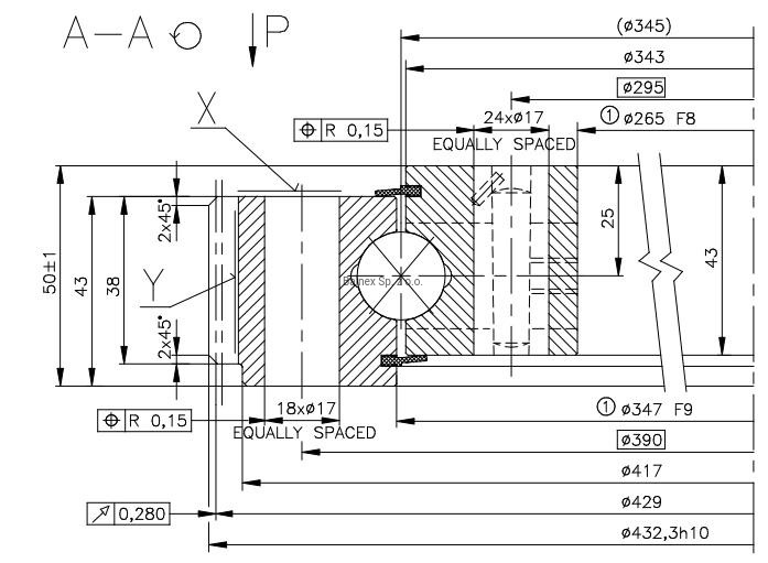
Łożysko ogólnego przeznaczenia i szerokim spektrum zastosowania.
| Ilość otworów w pierścieniu wew. /szt/ | 24 |
|---|---|
| Ilość otworów w pierścieniu zew. /szt/ | 17 |
| Maksymalna siła zredukowana /kN/ | 930 |
| Maksymalny moment wywrotowy bieżni /kNm/ | 68 |
| Rodzaj otworów w pierścieniu wew. | fi17 |
| Rodzaj otworów w pierścieniu zew. | fi17 |
| Średnica wewnętrzna /mm/ | 265 |
| Średnica zewnętrzna /mm/ | 432.3 |
| Waga /kg/ | 24.5 |
| Wysokość całkowita /mm/ | 50 |
| Wysokość pierścienia wew. /mm/ | 43 |
| Wysokość pierścienia zew. /mm/ | 43 |
| Ilość zębów | 143 |
| Moduł zębów | 3 |





