- zgarniacze, mieszadła
- podnośniki, platformy jezdne
- inne urządzenia przemysłowe
uzębienie zewnętrzne, Wszystkie
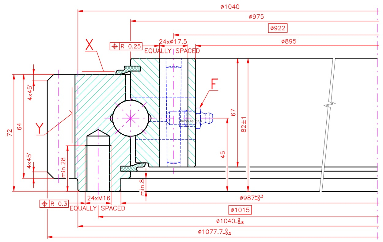
9E-1B22-0975-1173; Łożysko o średnicy zewnętrznej 1077,7 mm
Zapytaj o produkt- Rysunek techniczny – prześlij zapytanie
- Charakterystyka – prześlij zapytanie
- Model 3D – prześlij zapytanie
Łożysko ogólnego przeznaczenia i szerokim spektrum zastosowania.
| Ilość otworów w pierścieniu wew. /szt/ | 24 |
|---|---|
| Ilość otworów w pierścieniu zew. /szt/ | 24 |
| Rodzaj otworów w pierścieniu wew. | fi17,5 |
| Rodzaj otworów w pierścieniu zew. | M16 |
| Średnica wewnętrzna /mm/ | 895 |
| Średnica zewnętrzna /mm/ | 1077.7 |
| Waga /kg/ | 127 |
| Wysokość całkowita /mm/ | 82 |
| Wysokość pierścienia wew. /mm/ | 72 |
| Wysokość pierścienia zew. /mm/ | 67 |
| Maksymalna siła zredukowana /kN/ | 1120 |
| Maksymalny moment wywrotowy bieżni /kNm/ | 230 |
| Ilość zębów | 130 |
| Moduł zębów | 8 |






