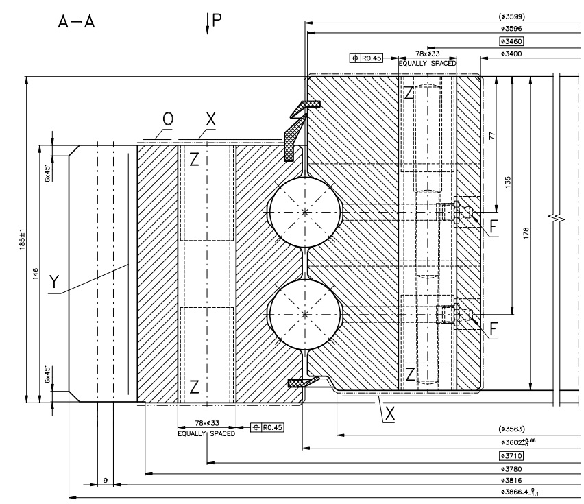
9E-2B40-3599-1470; Łożysko o średnicy zewnętrznej 3866 mm

SKU: 9E-2B40-3599-1470 Kategoria: Znacznik: Marka:
Zapytaj o produkt
  • zgarniacze, mieszadła
  • podnośniki, platformy jezdne
  • Koparki, zwałowarki, Żurawie
  • inne urządzenia przemysłowe
  1. Rysunek techniczny – prześlij zapytanie
  2. Charakterystyka – prześlij zapytanie
  3. Model 3D – prześlij zapytanie
Łożysko ogólnego przeznaczenia i szerokim spektrum zastosowania.
Ilość otworów w pierścieniu wew. /szt/ 78
Ilość otworów w pierścieniu zew. /szt/ 78
Rodzaj otworów w pierścieniu wew. fi33
Rodzaj otworów w pierścieniu zew. fi33
Średnica wewnętrzna /mm/ 3400
Średnica zewnętrzna /mm/ 3866
Waga /kg/ 2790
Wysokość całkowita /mm/ 185
Wysokość pierścienia wew. /mm/ 178
Wysokość pierścienia zew. /mm/ 146
Maksymalna siła zredukowana /kN/ 32500
Maksymalny moment wywrotowy bieżni /kNm/ 25000
Ilość zębów 212
Moduł zębów 18
Przewijanie do góry