- zgarniacze, mieszadła
- podnośniki, platformy jezdne
- inne urządzenia przemysłowe
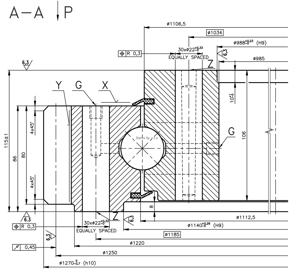
- Rysunek techniczny 9E-1B35-1110-1550D
- Charakterystyka
- Model 3D – prześlij zapytanie
Łożysko ogólnego przeznaczenia i szerokim spektrum zastosowania.
| Ilość otworów w pierścieniu wew. /szt/ | 30 |
|---|---|
| Ilość otworów w pierścieniu zew. /szt/ | 30 |
| Rodzaj otworów w pierścieniu wew. | fi22 |
| Rodzaj otworów w pierścieniu zew. | fi22 |
| Średnica wewnętrzna /mm/ | 985 |
| Średnica zewnętrzna /mm/ | 1270 |
| Waga /kg/ | 330 |
| Wysokość całkowita /mm/ | 115 |
| Wysokość pierścienia wew. /mm/ | 106 |
| Wysokość pierścienia zew. /mm/ | 86 |
| Maksymalna siła zredukowana /kN/ | 4050 |
| Maksymalny moment wywrotowy bieżni /kNm/ | 950 |
| Ilość zębów | 125 |
| Moduł zębów | 10 |





