- zgarniacze, mieszadła
- podnośniki, platformy jezdne
- Żuraw Brawall 1611
- inne urządzenia przemysłowe
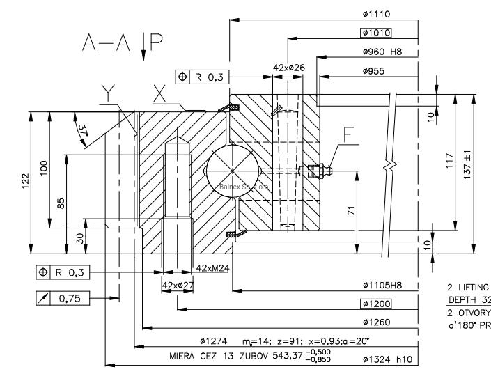
- Rysunek techniczny 9E-1B45-1105-0329-1D
- Charakterystyka 9E-1B45-1105-0329-1F
- Model 3D – prześlij zapytanie
Łożysko ogólnego przeznaczenia i szerokim spektrum zastosowania.
| Ilość otworów w pierścieniu wew. /szt/ | 42 |
|---|---|
| Ilość otworów w pierścieniu zew. /szt/ | 42 |
| Rodzaj otworów w pierścieniu wew. | fi26 |
| Rodzaj otworów w pierścieniu zew. | M24 |
| Średnica wewnętrzna /mm/ | 955 |
| Średnica zewnętrzna /mm/ | 1324 |
| Waga /kg/ | 480 |
| Wysokość całkowita /mm/ | 137 |
| Wysokość pierścienia wew. /mm/ | 117 |
| Wysokość pierścienia zew. /mm/ | 122 |
| Maksymalna siła zredukowana /kN/ | 6500 |
| Maksymalny moment wywrotowy bieżni /kNm/ | 1600 |
| Ilość zębów | 91 |
| Moduł zębów | 14 |






