- zgarniacze, mieszadła
- podnośniki, platformy jezdne
- podnośniki koszowe PMR140, PMT0144,
- inne urządzenia przemysłowe
- Rysunek techniczny – prześlij zapytanie
- Charakterystyka – prześlij zapytanie
- Model 3D – prześlij zapytanie
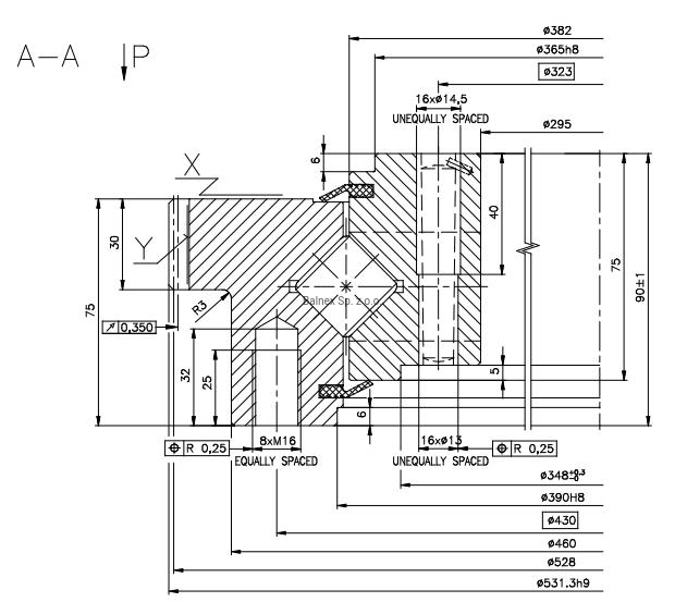
Łożysko ogólnego przeznaczenia i szerokim spektrum zastosowania.
| Ilość otworów w pierścieniu wew. /szt/ | 16 |
|---|---|
| Ilość otworów w pierścieniu zew. /szt/ | 8 |
| Rodzaj otworów w pierścieniu wew. | fi14,5 |
| Rodzaj otworów w pierścieniu zew. | M16 |
| Średnica wewnętrzna /mm/ | 295 |
| Średnica zewnętrzna /mm/ | 531.3 |
| Waga /kg/ | 57 |
| Wysokość całkowita /mm/ | 90 |
| Wysokość pierścienia wew. /mm/ | 75 |
| Wysokość pierścienia zew. /mm/ | 75 |
| Maksymalna siła zredukowana /kN/ | 660 |
| Maksymalny moment wywrotowy bieżni /kNm/ | 64 |
| Ilość zębów | 176 |
| Moduł zębów | 3 |






