- zgarniacze, mieszadła
- podnośniki, platformy jezdne
- inne urządzenia przemysłowe
- Rysunek techniczny – prześlij zapytanie
- Charakterystyka – prześlij zapytanie
- Model 3D – prześlij zapytanie
Łożysko ogólnego przeznaczenia i szerokim spektrum zastosowania.
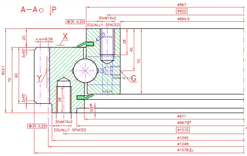
| Ilość otworów w pierścieniu wew. /szt/ | 60 |
|---|---|
| Ilość otworów w pierścieniu zew. /szt/ | 60 |
| Rodzaj otworów w pierścieniu wew. | fi26 |
| Rodzaj otworów w pierścieniu zew. | fi26 |
| Średnica wewnętrzna /mm/ | 2490 |
| Średnica zewnętrzna /mm/ | 2876.8 |
| Waga /kg/ | 1210 |
| Wysokość całkowita /mm/ | 138 |
| Wysokość pierścienia wew. /mm/ | 132 |
| Wysokość pierścienia zew. /mm/ | 104 |
| Maksymalna siła zredukowana /kN/ | 13500 |
| Maksymalny moment wywrotowy bieżni /kNm/ | 7500 |
| Ilość zębów | 177 |
| Moduł zębów | 16 |






