- zgarniacze, mieszadła
- podnośniki, platformy jezdne
- Żuraw Brawall 1611
- inne urządzenia przemysłowe
- Rysunek techniczny – prześlij zapytanie
- Charakterystyka – prześlij zapytanie
- Model 3D – prześlij zapytanie
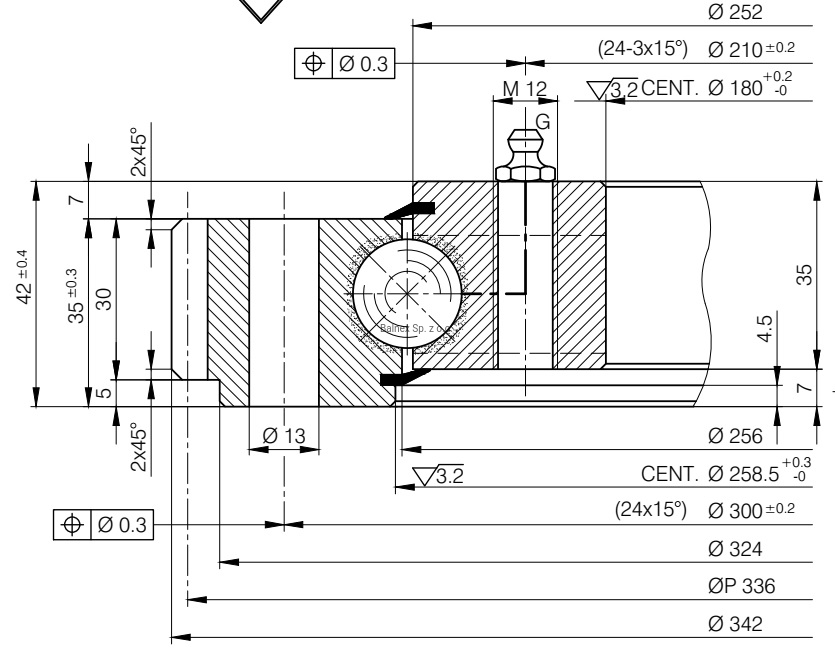
Łożysko ogólnego przeznaczenia i szerokim spektrum zastosowania.
| Ilość otworów w pierścieniu wew. /szt/ | 24-3 |
|---|---|
| Ilość otworów w pierścieniu zew. /szt/ | 24 |
| Rodzaj otworów w pierścieniu wew. | M12 |
| Rodzaj otworów w pierścieniu zew. | fi13 |
| Średnica wewnętrzna /mm/ | 180 |
| Średnica zewnętrzna /mm/ | 342 |
| Waga /kg/ | 14 |
| Wysokość całkowita /mm/ | 42 |
| Wysokość pierścienia wew. /mm/ | 35 |
| Wysokość pierścienia zew. /mm/ | 35 |
| Maksymalna siła zredukowana /kN/ | 300 |
| Maksymalny moment wywrotowy bieżni /kNm/ | 28 |
| Ilość zębów | 112 |
| Moduł zębów | 3 |






