- zgarniacze, mieszadła
- podnośniki, platformy jezdne
- inne urządzenia przemysłowe
- Rysunek techniczny – prześlij zapytanie
- Charakterystyka – prześlij zapytanie
- Model 3D – prześlij zapytanie
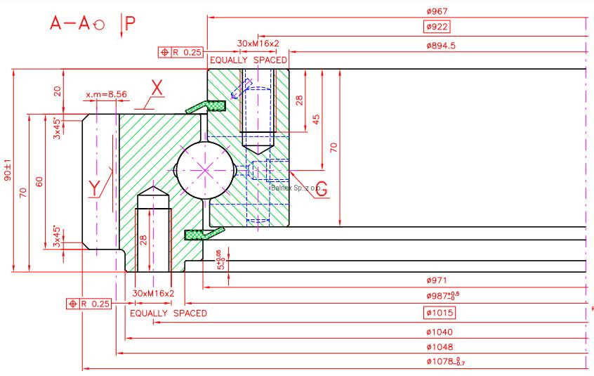
Łożysko ogólnego przeznaczenia i szerokim spektrum zastosowania.
| Ilość otworów w pierścieniu wew. /szt/ | 30 |
|---|---|
| Ilość otworów w pierścieniu zew. /szt/ | 30 |
| Rodzaj otworów w pierścieniu wew. | M16 |
| Rodzaj otworów w pierścieniu zew. | M16 |
| Średnica wewnętrzna /mm/ | 894.5 |
| Średnica zewnętrzna /mm/ | 1078 |
| Waga /kg/ | 125 |
| Wysokość całkowita /mm/ | 90 |
| Wysokość pierścienia wew. /mm/ | 70 |
| Wysokość pierścienia zew. /mm/ | 70 |
| Maksymalna siła zredukowana /kN/ | 3050 |
| Maksymalny moment wywrotowy bieżni /kNm/ | 630 |
| Ilość zębów | 131 |
| Moduł zębów | 8 |






