- zgarniacze, mieszadła
- podnośniki, platformy jezdne
- Koparki, zwałowarki
- inne urządzenia przemysłowe
- Rysunek techniczny – prześlij zapytanie
- Charakterystyka – prześlij zapytanie
- Model 3D – prześlij zapytanie
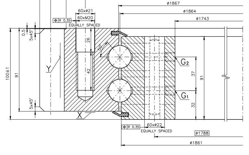
Łożysko ogólnego przeznaczenia i szerokim spektrum zastosowania.
| Ilość otworów w pierścieniu wew. /szt/ | 60 |
|---|---|
| Ilość otworów w pierścieniu zew. /szt/ | 60 |
| Rodzaj otworów w pierścieniu wew. | fi22 |
| Rodzaj otworów w pierścieniu zew. | fi21, M20 |
| Średnica wewnętrzna /mm/ | 1743 |
| Średnica zewnętrzna /mm/ | 2040 |
| Waga /kg/ | 520 |
| Wysokość całkowita /mm/ | 100 |
| Wysokość pierścienia wew. /mm/ | 91 |
| Wysokość pierścienia zew. /mm/ | 91 |
| Maksymalna siła zredukowana /kN/ | 14000 |
| Maksymalny moment wywrotowy bieżni /kNm/ | 5500 |
| Ilość zębów | 168 |
| Moduł zębów | 12 |






