I.755.30.15.D.4-V; Łożysko o średnicy zewnętrznej 755 mm
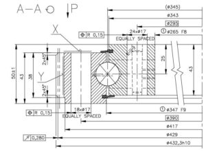
9E-1B20-0345-1153; Łożysko o średnicy zewnętrznej 432,3 mm
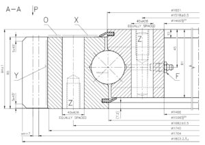
9E-1B40-1600-1427; Łożysko o średnicy zewnętrznej 1803,2 mm
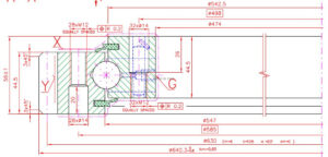
9E-1B20-0545-1247; Łożysko o średnicy zewnętrznej 640,3 mm
9E-1B20-0545-1247-1; Łożysko o średnicy zewnętrznej 640,3 mm
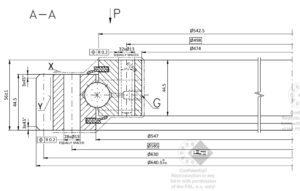
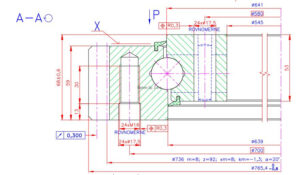
9E-1B25-0640-0150; Łożysko o średnicy zewnętrznej 765,4 mm
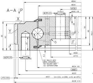
9E-1B25-0832-1312; Łożysko o średnicy zewnętrznej 938 mm
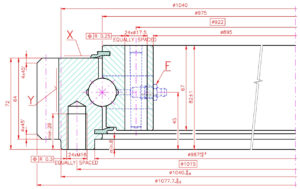
9E-1B22-0975-1173; Łożysko o średnicy zewnętrznej 1077,7 mm
Łożysko stożkowe PSL 610-301-1
90-1Z10-0250-0176-5; Łożysko o średnicy zewnętrznej 304 mm
Łożysko stożkowe PSL 610-301-2
Łożysko stożkowe PSL 610-304
Łożysko stożkowe PSL 610-305
Łożysko stożkowe PSL 611-300-1
Łożysko stożkowe PSL 611-304
9E-1B16-0267-1425-5; Łożysko o średnicy zewnętrznej 324 mm
Lista naszych odbiorców























Łożyska wieńcowe
Łożyska wieńcowe stanowią istotny element układów obrotu w maszynach i urządzeniach, w których wymagane jest jednoczesne przenoszenie obciążeń osiowych, promieniowych oraz momentów wywrotowych. W naszej firmie oferujemy łożyska wieńcowe, wieńce obrotu i łożyska obrotowe przeznaczone do pracy w aplikacjach o podwyższonych wymaganiach eksploatacyjnych. Nasze rozwiązania znajdują zastosowanie w maszynach budowlanych, urządzeniach przeładunkowych, przemyśle ciężkim, konstrukcjach offshore, górnictwie oraz w systemach technologicznych wymagających precyzyjnego i trwałego ruchu obrotowego.
W ofercie dostępne są łożyska wieńcowe wykonane ze stali 42CrMo4 (40HM), rekomendowane do zastosowań o wysokich obciążeniach i zwiększonych wymaganiach wytrzymałościowych, a także łożyska wieńcowe ze stali C45, stosowane w standardowych aplikacjach przemysłowych. Dostarczamy rozwiązania z uzębieniem zewnętrznym, uzębieniem wewnętrznym oraz bez uzębienia, co pozwala na właściwe dopasowanie elementu do geometrii układu napędowego i sposobu przeniesienia momentu obrotowego. Uzupełnieniem oferty są napędy zintegrowane ślimakowe, obrotnice oraz łożyska standardowe PSL.
Prawidłowy dobór łożyska wieńcowego wymaga uwzględnienia wielu parametrów technicznych, takich jak: charakter obciążenia statycznego i dynamicznego, prędkość obrotowa, warunki środowiskowe, sposób smarowania, geometria konstrukcji wsporczych oraz dokładność montażu. Dlatego oferujemy wsparcie techniczne na etapie doboru rozwiązania, a także dostęp do materiałów dotyczących montażu, eksploatacji, konserwacji i diagnostyki łożysk wieńcowych. Odpowiednio dobrane i prawidłowo użytkowane łożyska obrotowe wpływają na trwałość całego układu, ograniczenie przestojów oraz zwiększenie bezpieczeństwa pracy maszyny.
Dzięki dostępności magazynowej wielu typów i rozmiarów, zapewniamy sprawną realizację dostaw dla klientów przemysłowych poszukujących komponentów do nowych konstrukcji, remontów i modernizacji. Jeżeli interesują Cię trwałe i sprawdzone łożyska wieńcowe, dobierzemy rozwiązanie odpowiadające wymaganiom Twojej aplikacji pod względem nośności, geometrii, uzębienia i warunków pracy.












