Łożysko wieńcowe: 9E-1B20-0545-1247
Łożyska wieńcowe z uzębieniem zewnętrznym 9E-1B20-0545-1247 o średnicy 640.3 mm to kluczowe komponenty mechaniczne w przemyśle ciężkim i automatyce. Ich konstrukcja pozwala przenosić obciążenia osiowe, promieniowe i momenty wywrotowe, co czyni je niezastąpionymi w maszynach obrotowych.
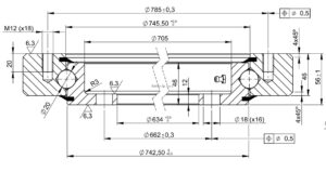
Zintegrowany wieniec zewnętrzny (z=105, m=6) umożliwia bezpośrednie zazębienie z mechanizmem napędowym, zwiększając wydajność pracy i redukując liczbę dodatkowych elementów.
Łożyska te stosuje się w koparkach, dźwigach, ładowarkach, turbinach wiatrowych, platformach obrotowych i robotach przemysłowych. Ich zalety to trwałość, wysoka nośność, kompaktowa konstrukcja, łatwy montaż i integracja z układem napędowym.
Elementy dodatkowe, takie jak koszyki, uszczelnienia i kanały smarne, chronią wnętrze łożyska przed zanieczyszczeniami, wydłużając jego żywotność i zapewniając płynny ruch. To idealne rozwiązanie do zastosowań wymagających precyzji i niezawodności w przemyśle.
Główne cechy produktu:
- uzębienie zewnętrzne
- siła zredukowana: 1550 kN
- moment wywrotowy: 180 kNm
- pozostałe dane produktu znajdują się w zakładce „parametry techniczne”
Zastosowanie:
- koparki, podnośniki
- stoły obrotowe, żurawie
- rotatory
- stoły obrotowe





