- zgarniacze, mieszadła
- podnośniki, platformy jezdne
- inne urządzenia przemysłowe
- Dane techniczne – katalog
- Model 3D – prześlij zapytanie
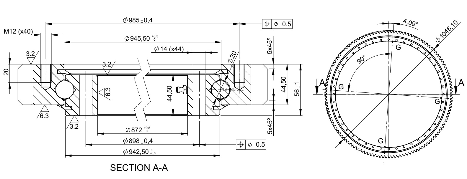
Łożysko ogólnego przeznaczenia i szerokim spektrum zastosowania.
| Ilość otworów w pierścieniu wew. /szt/ | 44 |
|---|---|
| Ilość otworów w pierścieniu zew. /szt/ | 40 |
| Rodzaj otworów w pierścieniu wew. | fi14 |
| Rodzaj otworów w pierścieniu zew. | M12 |
| Średnica wewnętrzna /mm/ | 872 |
| Średnica zewnętrzna /mm/ | 1046.1 |
| Waga /kg/ | 73 |
| Wysokość całkowita /mm/ | 56 |
| Wysokość pierścienia wew. /mm/ | 44.5 |
| Wysokość pierścienia zew. /mm/ | 44.5 |
| Maksymalna siła zredukowana /kN/ | 1430 |
| Maksymalny moment wywrotowy bieżni /kNm/ | 310 |
| Ilość zębów | 129 |
| Moduł zębów | 8 |
| Zamiennik | 31.0941.01 VSA200944 061.20.0944.500.01.1503 RKS.061.20.0944 |






