- zgarniacze, mieszadła
- podnośniki, platformy jezdne
- inne urządzenia przemysłowe
- Dane techniczne – katalog
- Model 3D – prześlij zapytanie
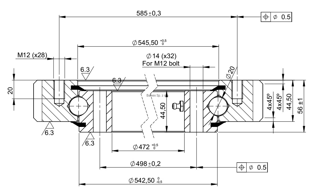
Łożysko ogólnego przeznaczenia i szerokim spektrum zastosowania.
| Ilość otworów w pierścieniu wew. /szt/ | 32 |
|---|---|
| Ilość otworów w pierścieniu zew. /szt/ | 28 |
| Rodzaj otworów w pierścieniu wew. | fi14 |
| Rodzaj otworów w pierścieniu zew. | M12 |
| Średnica wewnętrzna /mm/ | 472 |
| Średnica zewnętrzna /mm/ | 640.3 |
| Waga /kg/ | 41 |
| Wysokość całkowita /mm/ | 56 |
| Wysokość pierścienia wew. /mm/ | 44.5 |
| Wysokość pierścienia zew. /mm/ | 44.5 |
| Maksymalna siła zredukowana /kN/ | 810 |
| Maksymalny moment wywrotowy bieżni /kNm/ | 100 |
| Ilość zębów | 105 |
| Moduł zębów | 6 |
| Zamiennik | 31.0541.01 VSA200544 061.20.0544.500.01.1503 RKS.061.20.0544 |






