- stoły obrotowe,
- obrotnice maszynowe,
- inne urządzenia przemysłowe.
- Katalog Obrotnice_Z
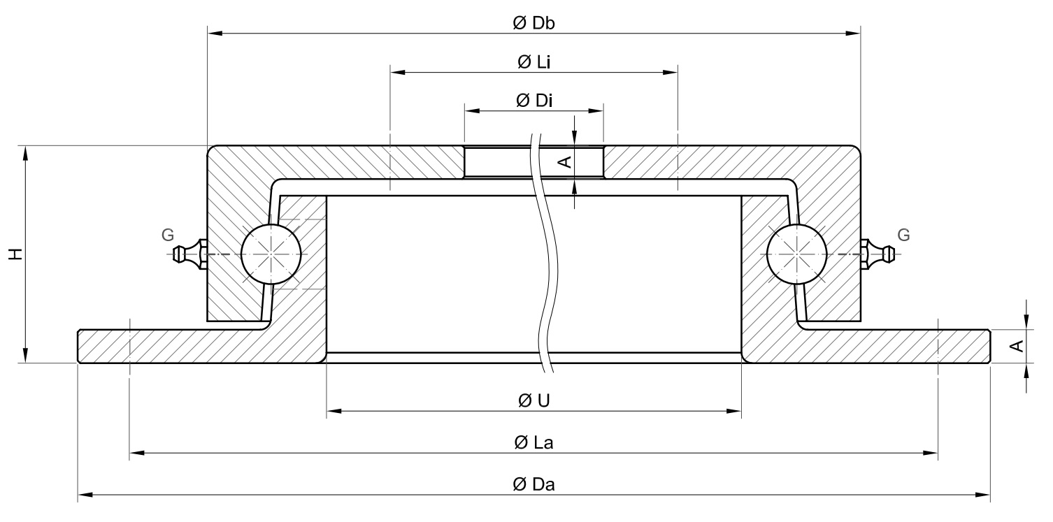
Łożysko ogólnego przeznaczenia i szerokim spektrum zastosowania.
| Średnica wewnętrzna /mm/ | 315 |
|---|---|
| Średnica zewnętrzna /mm/ | 500 |
| Waga /kg/ | 18 |
| Wysokość całkowita /mm/ | 52 |
| Grubość pierścienia /mm/ | 8 |
| Siła osiowa /kN/ | 24 |



