- zgarniacze, mieszadła
- podnośniki, platformy jezdne
- inne urządzenia przemysłowe
- Dane techniczne – katalog
- Model 3D – prześlij zapytanie
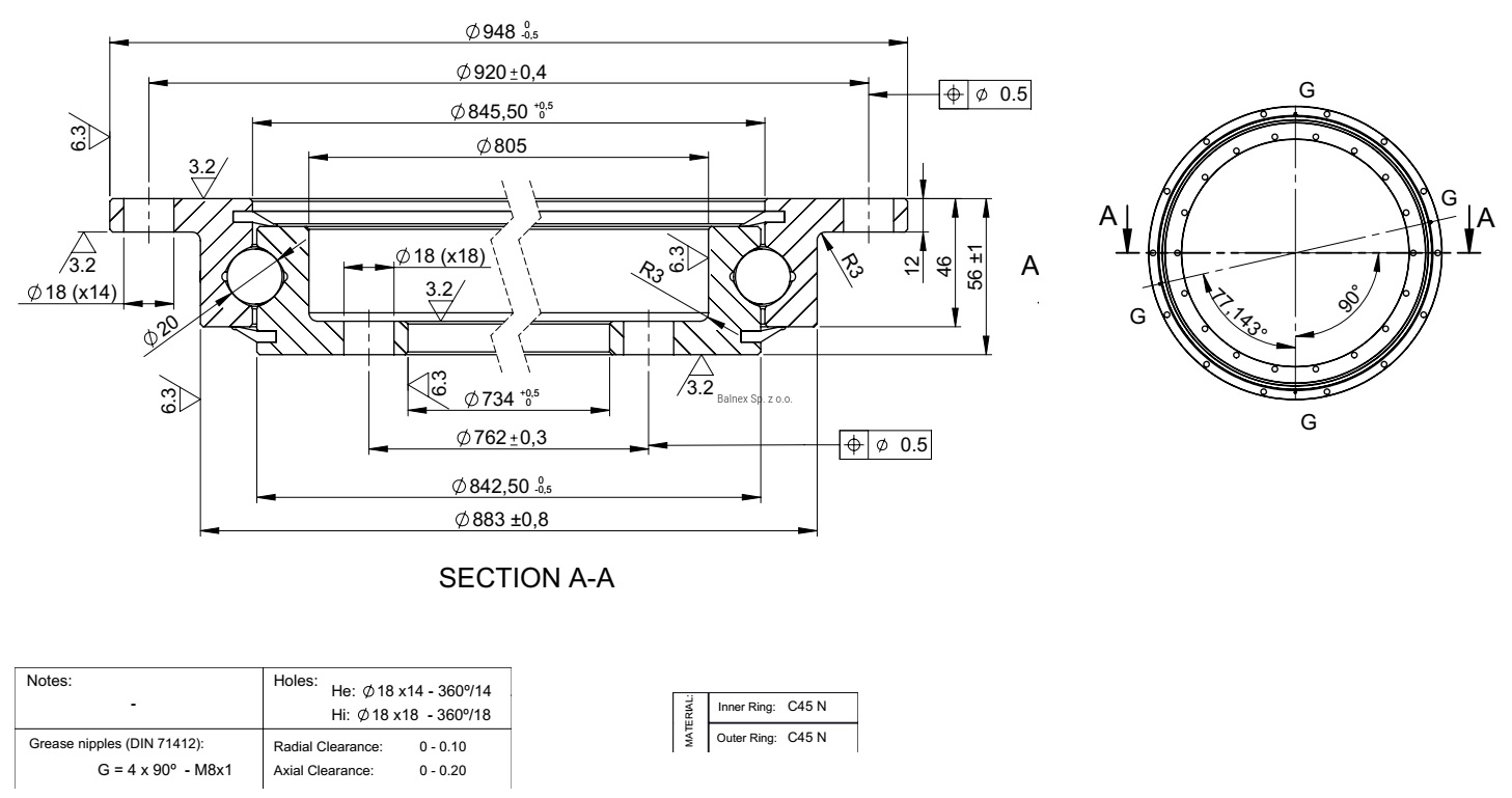
Łożysko ogólnego przeznaczenia i szerokim spektrum zastosowania.
| Ilość otworów w pierścieniu wew. /szt/ | 18 |
|---|---|
| Ilość otworów w pierścieniu zew. /szt/ | 14 |
| Rodzaj otworów w pierścieniu wew. | fi18 |
| Rodzaj otworów w pierścieniu zew. | fi18 |
| Średnica wewnętrzna /mm/ | 734 |
| Średnica zewnętrzna /mm/ | 948 |
| Waga /kg/ | 48.04 |
| Wysokość całkowita /mm/ | 56 |
| Wysokość pierścienia wew. /mm/ | 46 |
| Wysokość pierścienia zew. /mm/ | 46 |
| Maksymalna siła zredukowana /kN/ | 630 |
| Maksymalny moment wywrotowy bieżni /kNm/ | 120 |
| Zamiennik | 23.0841.01 VLU.200.844 230.20.0800 RKS.23 0841 |






