- zgarniacze, mieszadła
- podnośniki, platformy jezdne
- inne urządzenia przemysłowe
- Dane techniczne – katalog
- Model 3D – prześlij zapytanie
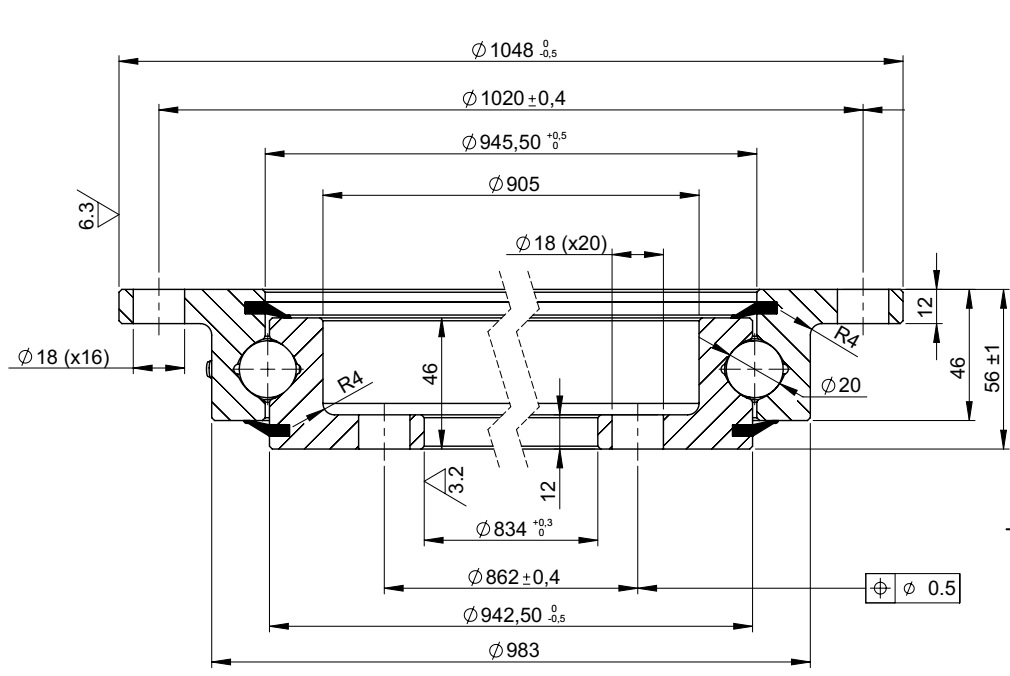
Łożysko ogólnego przeznaczenia i szerokim spektrum zastosowania.
| Ilość otworów w pierścieniu wew. /szt/ | 20 |
|---|---|
| Ilość otworów w pierścieniu zew. /szt/ | 16 |
| Rodzaj otworów w pierścieniu wew. | fi18 |
| Rodzaj otworów w pierścieniu zew. | fi18 |
| Średnica wewnętrzna /mm/ | 834 |
| Średnica zewnętrzna /mm/ | 1048 |
| Waga /kg/ | 53.91 |
| Wysokość całkowita /mm/ | 56 |
| Wysokość pierścienia wew. /mm/ | 46 |
| Wysokość pierścienia zew. /mm/ | 46 |
| Maksymalna siła zredukowana /kN/ | 700 |
| Maksymalny moment wywrotowy bieżni /kNm/ | 150 |
| Zamiennik | 23.0941.01 VLU200944 230.20.0900 RKS.23 0941 |





