- zgarniacze, mieszadła
- podnośniki, platformy jezdne
- inne urządzenia przemysłowe
- Koparki Atlas 1304, 1304M, 1404, 1404M
uzębienie wewnętrzne, Wszystkie
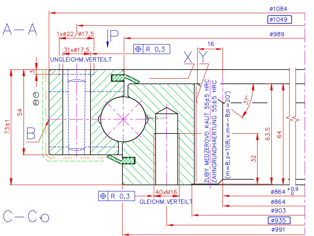
9I-1B30-0990-0169-1; Łożysko o średnicy zewnętrznej 1084 mm
Zapytaj o produkt- Rysunek techniczny – prześlij zapytanie
- Charakterystyka – prześlij zapytanie
- Model 3D – prześlij zapytanie
Łożysko ogólnego przeznaczenia i szerokim spektrum zastosowania.
| Ilość otworów w pierścieniu wew. /szt/ | 32 |
|---|---|
| Ilość otworów w pierścieniu zew. /szt/ | 40 |
| Rodzaj otworów w pierścieniu wew. | M16 |
| Rodzaj otworów w pierścieniu zew. | fi17,5 |
| Średnica wewnętrzna /mm/ | 864 |
| Średnica zewnętrzna /mm/ | 1084 |
| Waga /kg/ | 133 |
| Wysokość całkowita /mm/ | 73 |
| Wysokość pierścienia wew. /mm/ | 64 |
| Wysokość pierścienia zew. /mm/ | 54 |
| Maksymalna siła zredukowana /kN/ | 3050 |
| Maksymalny moment wywrotowy bieżni /kNm/ | 650 |
| Ilość zębów | 108 |
| Moduł zębów | 8 |
| Zamiennik | 9I-1B30-0990-0169 |




