- zgarniacze, mieszadła
- podnośniki, platformy jezdne
- inne urządzenia przemysłowe
- Dane techniczne – katalog
- Model 3D – prześlij zapytanie
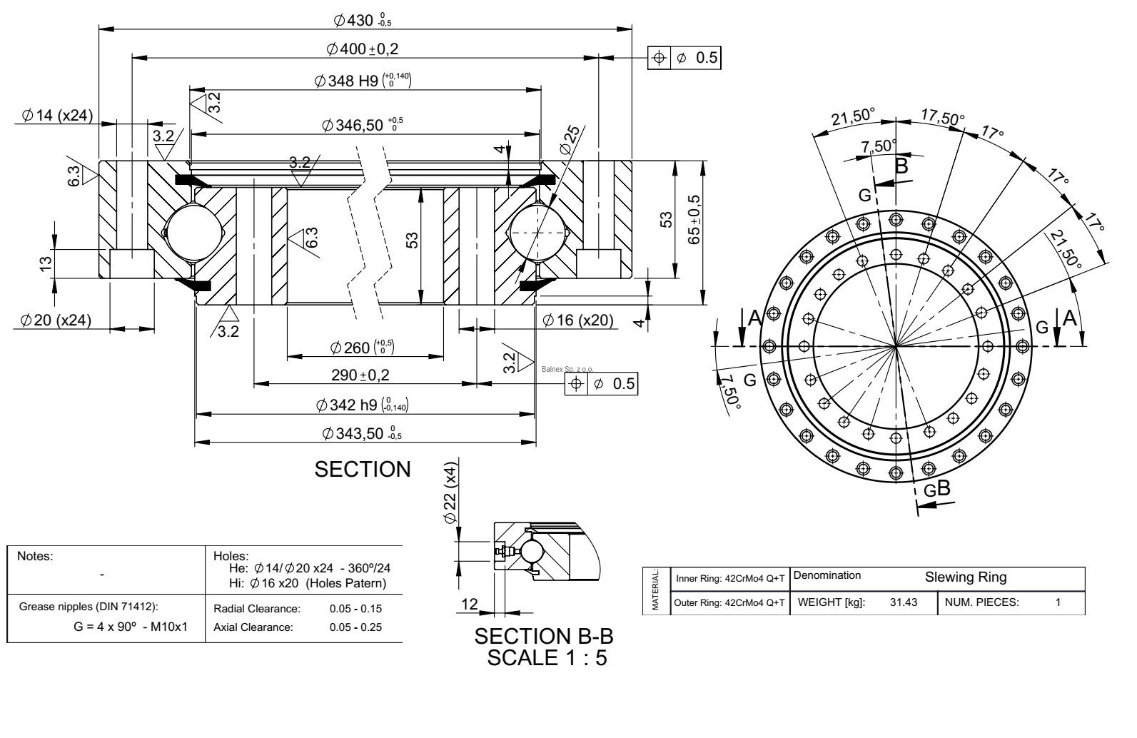
Łożysko ogólnego przeznaczenia i szerokim spektrum zastosowania.
| Ilość otworów w pierścieniu wew. /szt/ | 20 |
|---|---|
| Ilość otworów w pierścieniu zew. /szt/ | 24 |
| Rodzaj otworów w pierścieniu wew. | fi16 |
| Rodzaj otworów w pierścieniu zew. | fi20 |
| Średnica wewnętrzna /mm/ | 260 |
| Średnica zewnętrzna /mm/ | 430 |
| Waga /kg/ | 31.43 |
| Wysokość całkowita /mm/ | 65 |
| Wysokość pierścienia wew. /mm/ | 53 |
| Wysokość pierścienia zew. /mm/ | 53 |
| Maksymalna siła zredukowana /kN/ | 900 |
| Maksymalny moment wywrotowy bieżni /kNm/ | 72 |






