Napęd zintegrowany, obrotowy LBE435-Z1
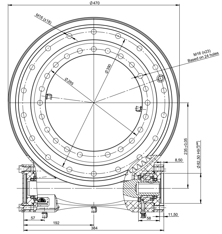
Napęd obrotowy LBE435-Z1 o solidnej, zwartej konstrukcji, mieszczący w sobie ślimak i łożysko wieńcowe, odporny na trudne warunki, idealny do przenoszenia obciążeń osiowych, promieniowych i momentów wywrotowych.
Napędy znajdują zastosowania w takich aplikacjach jak:
- Podnośniki
- Koparki
- Urządzenia obrotowe
- Pozycjonery
Pozostałe informacje:





