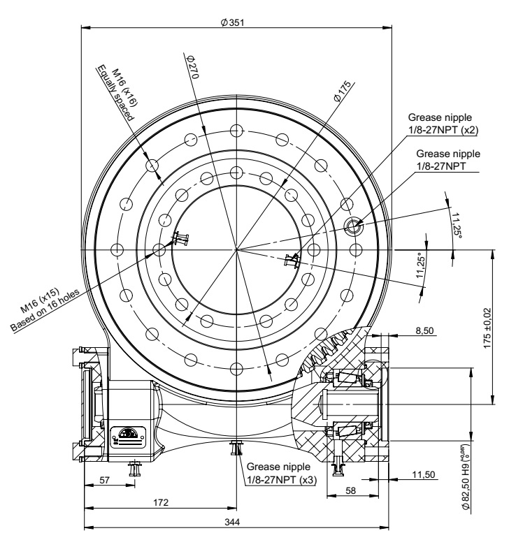
Napęd zintegrowany, obrotowy LBE314-Z1
Napędy obrotowe LBE314-Z1 z łożyskiem wieńcowym i przekładnią ślimakową to zaawansowane rozwiązania do pracy pod dużym obciążeniem. Dzięki zwartej konstrukcji zapewniają wysoką wytrzymałość na siły osiowe, promieniowe oraz momenty wywrotowe, co czyni je idealnym wyborem dla wymagających aplikacji przemysłowych.
W tych rozwiązaniach obudowa wykonana jest z aluminium
Urządzenia znajdują zastosowania w takich aplikacjach jak:
- Stoły obrotowe
- Podnośniki koszowe
- Urządzenia WUKO
- Platformy
Dodatkowe materiały:





