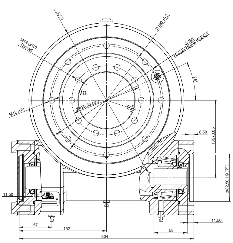
Napęd zintegrowany, obrotowy BE236-Z1
Zintegrowane napędy obrotowe BE236-Z1 z łożyskiem wieńcowym zapewniają wysoką nośność oraz stabilność pracy. Są odporne na trudne warunki środowiskowe, takie jak kurz, wilgoć czy zmienne temperatury, co sprawia, że znajdują zastosowanie w wielu branżach przemysłowych.
Napędy znajdują zastosowania w takich aplikacjach jak:
- Podnośniki koszowe
- Pozycjonery
- Pompy do betonu
- Stoły obrotowe
Pozostałe informacje:





