- zgarniacze, mieszadła
- podnośniki, platformy jezdne
- inne urządzenia przemysłowe
- Dane techniczne – katalog
- Model 3D – prześlij zapytanie
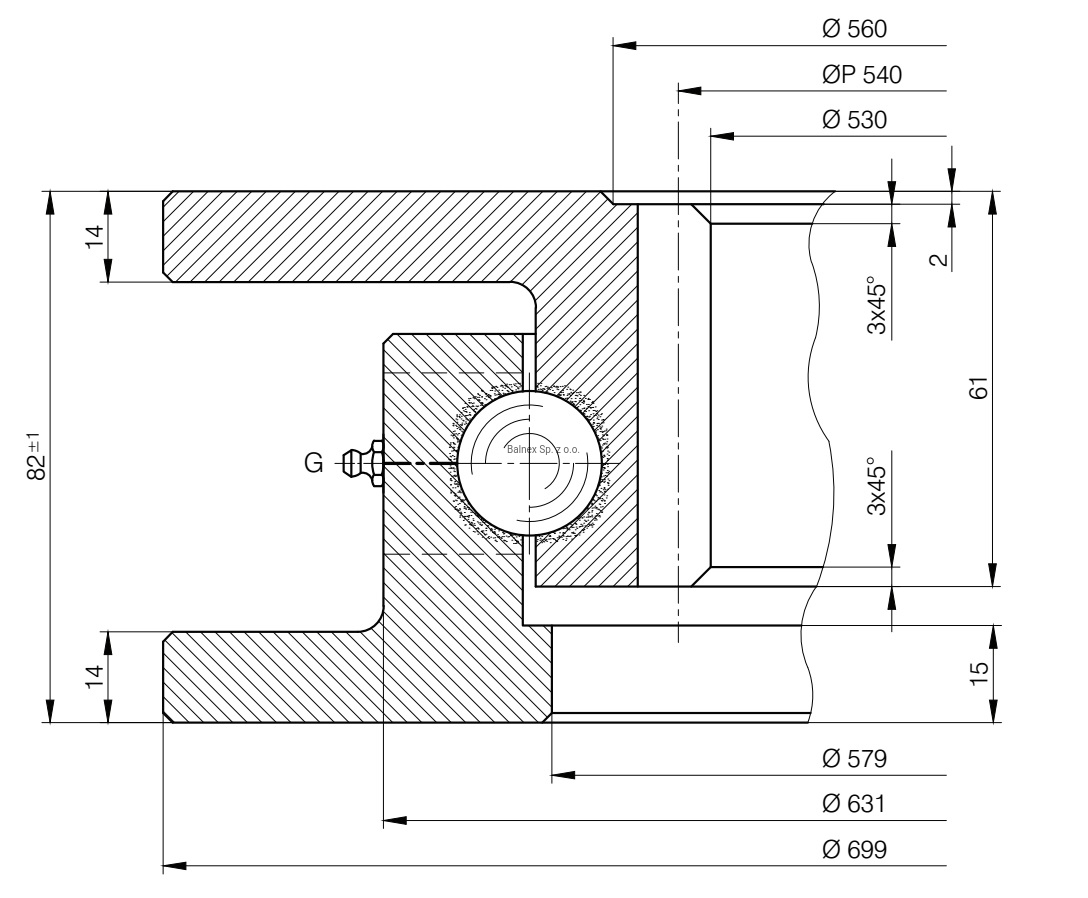
Łożysko ogólnego przeznaczenia i szerokim spektrum zastosowania.
| Ilość otworów w pierścieniu wew. /szt/ | – |
|---|---|
| Ilość otworów w pierścieniu zew. /szt/ | – |
| Rodzaj otworów w pierścieniu wew. | – |
| Rodzaj otworów w pierścieniu zew. | – |
| Średnica wewnętrzna /mm/ | 530 |
| Średnica zewnętrzna /mm/ | 699 |
| Waga /kg/ | 57 |
| Wysokość całkowita /mm/ | 82 |
| Wysokość pierścienia wew. /mm/ | 61 |
| Wysokość pierścienia zew. /mm/ | 61 |
| Maksymalna siła zredukowana /kN/ | 520 |
| Maksymalny moment wywrotowy bieżni /kNm/ | 64 |
| Ilość zębów | 108 |
| Moduł zębów | 5 |






