- zgarniacze, mieszadła
- podnośniki, platformy jezdne
- inne urządzenia przemysłowe
- Dane techniczne – katalog
- Model 3D – prześlij zapytanie
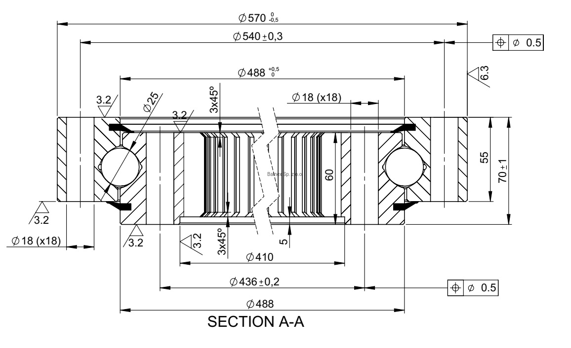
Łożysko ogólnego przeznaczenia i szerokim spektrum zastosowania.
| Ilość otworów w pierścieniu wew. /szt/ | 18 |
|---|---|
| Ilość otworów w pierścieniu zew. /szt/ | 18 |
| Rodzaj otworów w pierścieniu wew. | fi18 |
| Rodzaj otworów w pierścieniu zew. | fi18 |
| Średnica wewnętrzna /mm/ | 378 |
| Średnica zewnętrzna /mm/ | 570 |
| Waga /kg/ | 52 |
| Wysokość całkowita /mm/ | 70 |
| Wysokość pierścienia wew. /mm/ | 60 |
| Wysokość pierścienia zew. /mm/ | 55 |
| Maksymalna siła zredukowana /kN/ | 920 |
| Maksymalny moment wywrotowy bieżni /kNm/ | 105 |
| Ilość zębów | 65 |
| Moduł zębów | 6 |






