- zgarniacze, mieszadła
- podnośniki, platformy jezdne
- inne urządzenia przemysłowe
- Dane techniczne – katalog
- Model 3D – prześlij zapytanie
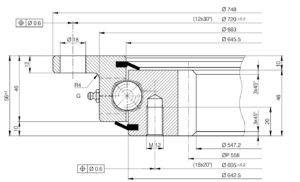
Łożysko ogólnego przeznaczenia i szerokim spektrum zastosowania.
| Ilość otworów w pierścieniu wew. /szt/ | 42 |
|---|---|
| Ilość otworów w pierścieniu zew. /szt/ | 42 |
| Rodzaj otworów w pierścieniu wew. | M20 |
| Rodzaj otworów w pierścieniu zew. | fi22 |
| Średnica wewnętrzna /mm/ | 1110 |
| Średnica zewnętrzna /mm/ | 1400 |
| Waga /kg/ | 267.88 |
| Wysokość całkowita /mm/ | 90 |
| Wysokość pierścienia wew. /mm/ | 71 |
| Wysokość pierścienia zew. /mm/ | 71 |
| Maksymalna siła zredukowana /kN/ | 3100 |
| Maksymalny moment wywrotowy bieżni /kNm/ | 880 |
| Ilość zębów | 113 |
| Moduł zębów | 10 |






