- zgarniacze, mieszadła
- podnośniki, platformy jezdne
- inne urządzenia przemysłowe
- Dane techniczne – katalog
- Model 3D – prześlij zapytanie
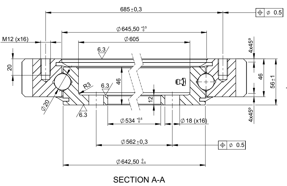
Łożysko ogólnego przeznaczenia i szerokim spektrum zastosowania.
| Ilość otworów w pierścieniu wew. /szt/ | 16 |
|---|---|
| Ilość otworów w pierścieniu zew. /szt/ | 16 |
| Rodzaj otworów w pierścieniu wew. | fi18 |
| Rodzaj otworów w pierścieniu zew. | M12 |
| Średnica wewnętrzna /mm/ | 534 |
| Średnica zewnętrzna /mm/ | 742.8 |
| Waga /kg/ | 48.5 |
| Wysokość całkowita /mm/ | 56 |
| Wysokość pierścienia wew. /mm/ | 46 |
| Wysokość pierścienia zew. /mm/ | 46 |
| Maksymalna siła zredukowana /kN/ | 470 |
| Maksymalny moment wywrotowy bieżni /kNm/ | 70 |
| Ilość zębów | 122 |
| Moduł zębów | 6 |
| Zamiennik | 21.0641.01 VLA200644 231.20.0600.13 RKS.21 0641 91-20 0641/2-07132 |






