- zgarniacze, mieszadła
- podnośniki, platformy jezdne
- inne urządzenia przemysłowe
- Dane techniczne – katalog
- Model 3D – prześlij zapytanie
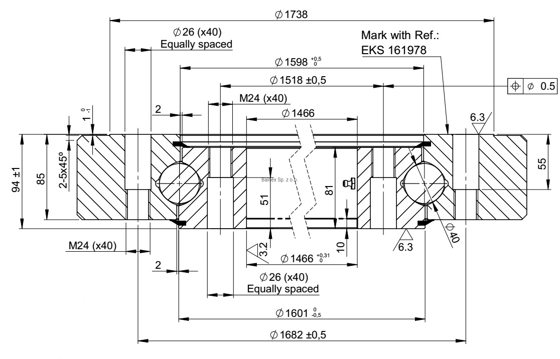
Łożysko ogólnego przeznaczenia i szerokim spektrum zastosowania.
| Ilość otworów w pierścieniu wew. /szt/ | 40 |
|---|---|
| Ilość otworów w pierścieniu zew. /szt/ | 40 |
| Rodzaj otworów w pierścieniu wew. | M24 |
| Rodzaj otworów w pierścieniu zew. | M24 |
| Średnica wewnętrzna /mm/ | 1466 |
| Średnica zewnętrzna /mm/ | 1803.2 |
| Waga /kg/ | 459.3 |
| Wysokość całkowita /mm/ | 94 |
| Wysokość pierścienia wew. /mm/ | 81 |
| Wysokość pierścienia zew. /mm/ | 85 |
| Maksymalna siła zredukowana /kN/ | 6300 |
| Maksymalny moment wywrotowy bieżni /kNm/ | 2300 |
| Ilość zębów | 126 |
| Moduł zębów | 14 |






