Łożysko wieńcowe: E.1476.35.00.D.1-R
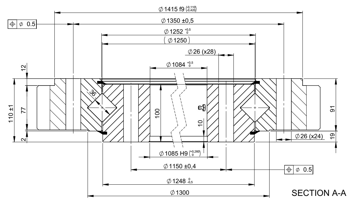
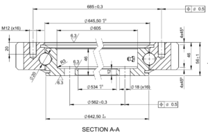
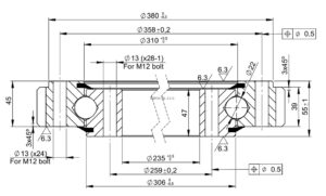
Łożyska wieńcowe E.1476.35.00.D.1-R z uzębieniem zewnętrznym o średnicy 1476 to kluczowe elementy wykorzystywane w nowoczesnym przemyśle. Ich konstrukcja umożliwia przenoszenie obciążeń osiowych, promieniowych oraz momentów wywrotowych, co sprawia, że znajdują zastosowanie w najbardziej wymagających aplikacjach.
Charakterystyczną cechą produktu jest zewnętrzne uzębienie o liczbie zębów z=144 i module m=10. Pozwala ono na bezpośrednie połączenie z napędem, co zwiększa efektywność pracy całego układu i upraszcza konstrukcję maszyny.
Łożyska wieńcowe z uzębieniem zewnętrznym są szeroko stosowane w maszynach budowlanych, takich jak koparki, dźwigi czy ładowarki. Znajdują również zastosowanie w turbinach wiatrowych, robotyce przemysłowej oraz systemach automatyki. Ich uniwersalność sprawia, że są nieodzownym elementem wielu instalacji.
Do najważniejszych zalet należą wysoka trwałość, precyzja działania oraz możliwość pracy w trudnych warunkach. Konstrukcja oparta na dwóch pierścieniach oraz elementach tocznych zapewnia stabilność i długą żywotność.
Dzięki możliwości indywidualnej konfiguracji łożyska wieńcowe stanowią rozwiązanie dopasowane do potrzeb każdej branży. To inwestycja w niezawodność, bezpieczeństwo oraz wydajność pracy maszyn.
Główne cechy produktu:
- uzębienie zewnętrzne
- siła zredukowana: - kN
- moment wywrotowy: - kNm
- pozostałe dane produktu znajdują się w zakładce „parametry techniczne”
Zastosowanie:
- podnośniki koszowe
- mini koparki
- żurawie
- stoły obrotowe
Pozostałe informacje:
Z hasłem „Nakręcamy Twój biznes!” firma BALNEX od 2005 roku dostarcza wysokiej jakości łożyska. Specjalizujemy się w łożyskach wieńcowych i wielkogabarytowych, oferując atrakcyjny stosunek ceny do jakości oraz szybką dostępność z magazynu.




