- zgarniacze, mieszadła
- podnośniki, platformy jezdne
- dźwigi, żurawie
- inne urządzenia przemysłowe
- Dane techniczne – katalog
- Model 3D – prześlij zapytanie
Łożysko ogólnego przeznaczenia i szerokim spektrum zastosowania.
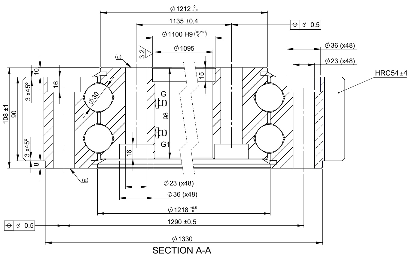
| Ilość otworów w pierścieniu wew. /szt/ | 48 |
|---|---|
| Ilość otworów w pierścieniu zew. /szt/ | 48 |
| Rodzaj otworów w pierścieniu wew. | fi23 |
| Rodzaj otworów w pierścieniu zew. | fi23 |
| Średnica wewnętrzna /mm/ | 1095 |
| Średnica zewnętrzna /mm/ | 1330 |
| Waga /kg/ | 319.9 |
| Wysokość całkowita /mm/ | 108 |
| Wysokość pierścienia wew. /mm/ | 98 |
| Wysokość pierścienia zew. /mm/ | 98 |
| Maksymalna siła zredukowana /kN/ | 8000 |
| Maksymalny moment wywrotowy bieżni /kNm/ | 2250 |
| Ilość zębów | 135 |
| Moduł zębów | 10 |






