- zgarniacze, mieszadła
- podnośniki, platformy jezdne
- inne urządzenia przemysłowe
- Dane techniczne – katalog
- Model 3D – prześlij zapytanie
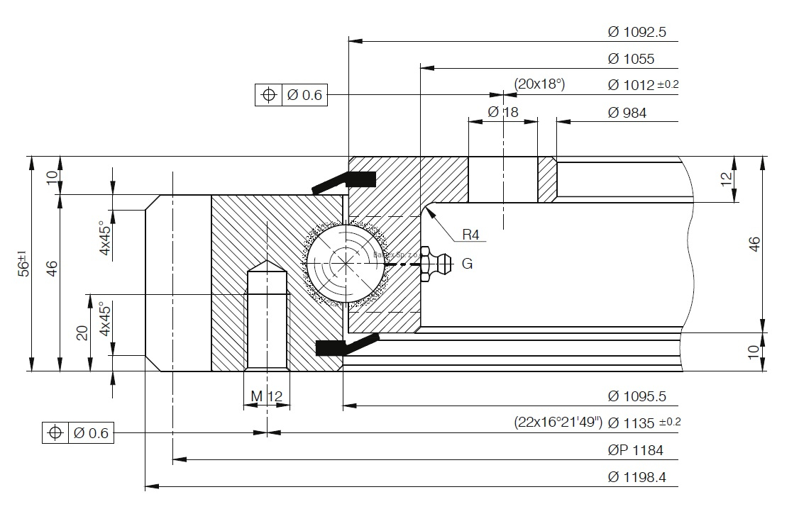
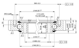
Łożysko ogólnego przeznaczenia i szerokim spektrum zastosowania.
| Ilość otworów w pierścieniu wew. /szt/ | 20 |
|---|---|
| Ilość otworów w pierścieniu zew. /szt/ | 22 |
| Rodzaj otworów w pierścieniu wew. | fi18 |
| Rodzaj otworów w pierścieniu zew. | M12 |
| Średnica wewnętrzna /mm/ | 984 |
| Średnica zewnętrzna /mm/ | 1198.4 |
| Waga /kg/ | 84 |
| Wysokość całkowita /mm/ | 56 |
| Wysokość pierścienia wew. /mm/ | 46 |
| Wysokość pierścienia zew. /mm/ | 46 |
| Maksymalna siła zredukowana /kN/ | 770 |
| Maksymalny moment wywrotowy bieżni /kNm/ | 150 |
| Ilość zębów | 148 |
| Moduł zębów | 8 |
| Zamiennik | 21.1091.01 VLA2001094 231.20.01000.013 RKS.21 1091 91-20 1091/1-07172 |






