- zgarniacze, mieszadła
- podnośniki, platformy jezdne
- inne urządzenia przemysłowe
- Rysunek techniczny –Rysunek
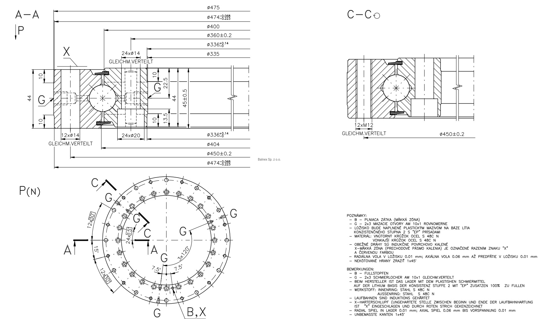
Łożysko ogólnego przeznaczenia i szerokim spektrum zastosowania.
| Ilość otworów w pierścieniu wew. /szt/ | 24 |
|---|---|
| Ilość otworów w pierścieniu zew. /szt/ | 12 |
| Rodzaj otworów w pierścieniu wew. | fi14 |
| Rodzaj otworów w pierścieniu zew. | fi14 |
| Średnica wewnętrzna /mm/ | 335 |
| Średnica zewnętrzna /mm/ | 475 |
| Waga /kg/ | 26.5 |
| Wysokość całkowita /mm/ | 45 |
| Wysokość pierścienia wew. /mm/ | 44 |
| Wysokość pierścienia zew. /mm/ | 44 |





