- zgarniacze, mieszadła
- podnośniki, platformy jezdne
- żurawie samochodowe, dźwigi
- inne urządzenia przemysłowe
uzębienie wewnętrzne, Wszystkie
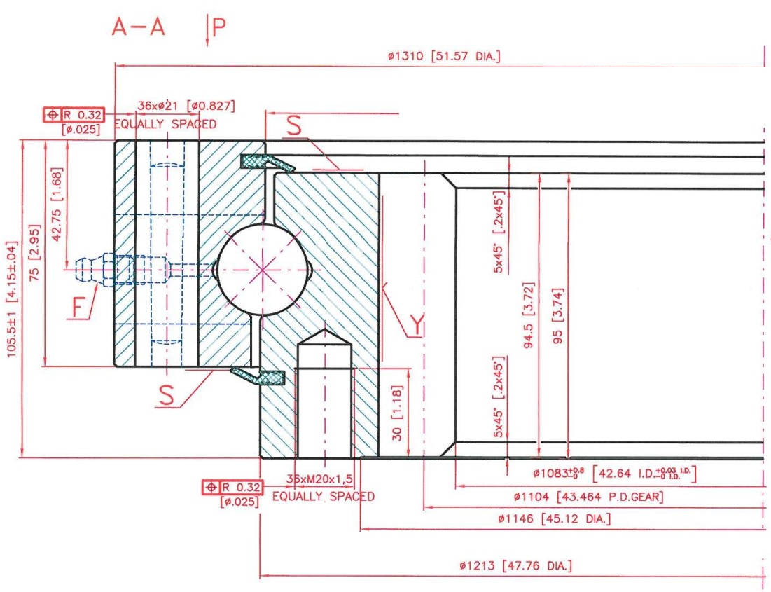
9I-1B30-1212-1116; Łożysko o średnicy zewnętrznej 1310 mm
Zapytaj o produkt- Rysunek techniczny – prześlij zapytanie
- Charakterystyka – prześlij zapytanie
- Model 3D – prześlij zapytanie
Łożysko ogólnego przeznaczenia i szerokim spektrum zastosowania.
| Ilość otworów w pierścieniu wew. /szt/ | 36 |
|---|---|
| Ilość otworów w pierścieniu zew. /szt/ | 36 |
| Rodzaj otworów w pierścieniu wew. | M20 |
| Rodzaj otworów w pierścieniu zew. | fi21 |
| Średnica wewnętrzna /mm/ | 1083 |
| Średnica zewnętrzna /mm/ | 1310 |
| Waga /kg/ | 223 |
| Wysokość całkowita /mm/ | 105.5 |
| Wysokość pierścienia wew. /mm/ | 94.5 |
| Wysokość pierścienia zew. /mm/ | 75 |
| Maksymalna siła zredukowana /kN/ | – |
| Maksymalny moment wywrotowy bieżni /kNm/ | – |
| Ilość zębów | 92 |
| Moduł zębów | 12 |
| Zamiennik | 062.30.1212.101.04.1523 |






