- zgarniacze, mieszadła
- podnośniki, platformy jezdne
- inne urządzenia przemysłowe
uzębienie zewnętrzne, Wszystkie
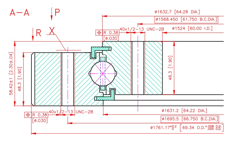
9E-1B22-1632-0711; Łożysko o średnicy zewnętrznej 1761.17 mm
Zapytaj o produkt- Rysunek techniczny – prześlij zapytanie
- Charakterystyka – prześlij zapytanie
- Model 3D – prześlij zapytanie
Łożysko ogólnego przeznaczenia i szerokim spektrum zastosowania.
| Ilość otworów w pierścieniu wew. /szt/ | 40 |
|---|---|
| Ilość otworów w pierścieniu zew. /szt/ | 40 |
| Rodzaj otworów w pierścieniu wew. | 1/2-13 UNC-2B |
| Rodzaj otworów w pierścieniu zew. | 1/2-13 UNC-2B |
| Średnica wewnętrzna /mm/ | 1524 |
| Średnica zewnętrzna /mm/ | 1761.17 |
| Waga /kg/ | 209 |
| Wysokość całkowita /mm/ | 58.42 |
| Wysokość pierścienia wew. /mm/ | 48.3 |
| Wysokość pierścienia zew. /mm/ | 48.3 |
| Maksymalna siła zredukowana /kN/ | – |
| Maksymalny moment wywrotowy bieżni /kNm/ | – |
| Moduł zębów | 4.0425 |
| Ilość zębów | 436 |






